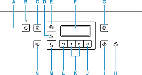
İşletim Paneli

- A: Açma (ON) düğmesi
-
Makineyi açar veya kapatır. Makineyi çalıştırmadan önce belge kapağını mutlaka kapatın.
- B: Açma (ON) lambası
- Güç düğmesi açıldığında yanıp söndükten sonra yanmaya devam eder.
- C: MENÜ (MENU) düğmesi
- Kopyalama menüsü (Copy menu) veya Tarama menüsü (Scan menu) ekranını görüntüler.
- D: TARAMA (SCAN) düğmesi
- Yazıcıyı tarama moduna geçirir.
- E: KOPYA (COPY) düğmesi
- Yazıcıyı kopyalama moduna geçirir.
- F: LCD (Likit Kristal Ekran)
- Mesajları, menü öğelerini ve çalışma durumunu gösterir.
- G: Durdur (Stop) düğmesi
- Devam eden bir yazdırma, kopyalama veya tarama işlemini iptal eder.
- H: Alarm lambası
- Bir hata oluştuğunda yanar veya yanıp söner.
- I: Başlat (Start) düğmesi
- Kopyalama, tarama vb. işlemlerini başlatın.
- J: OK düğmesi
- Menü veya ayar öğesi seçimini sonlandırır. Bu düğme, ADF (Otomatik Belge Besleyici) içindeki belgeleri çıkarmak veya bir hatayı çözümlemek için de kullanılabilir.
- K:
ve
düğmeleri -
Ayar öğesi seçmek için kullanılır. Bu düğmeler, karakter girmek için de kullanılır.
- L: Geri (Back) düğmesi
- LCD ekranını, önceki ekrana geri döndürür.
- M: Ayarlar (Setup) düğmesi
- Ayarlar menüsü (Setup menu) ekranını görüntüler. Bu menü ile, yazıcı bakımını gerçekleştirebilir ve veya yazıcının ayarlarını değiştirebilirsiniz. Giriş modunu seçmek için de kullanılır.
- N: Kablosuz bağlantı (Wireless connect) düğmesi
- Doğrudan bir akıllı telefondan veya benzer cihazdan (yönlendiricide işlem yapmadan) yazıcının kablosuz yönlendirici bilgilerini ayarlamak için bu düğmeyi basılı tutun.

